105 мм АГВ волан
Представљамо -електричне точкове великог оптерећења са пречником 105 мм и вучним моторима од 400 В, који подржавају максимално оптерећење до 300 кг. Са широким опсегом улазног напона од 24-560В и вишеструким вучним односом преноса (16/24/32), ови точкови нуде поуздане и безбедне перформансе. Подржавају двоструке енкодере и постижу до ПЛ=Д, функционалну безбедност категорије 2 у складу са стандардима ЕН ИСО 13849-1, обезбеђујући прецизност и издржљивост.
Главни опсези параметара:
◆ Пречник точка: 105 мм
◆Максимално оптерећење: 300 кг
◆ Опсег улазног напона: 24-560В
◆ Снага вучног мотора: 4оов
◆ Трацтион Геар Заједнички однос: 16/24/32
◆Вучни мотор подржава двоструки енкодер, постиже до ПЛ=Д, функционалну сигурност категорије 2 према ЕН ИСО 13849-1.

АГВ 400В Повер Интегратед Елецтрицал Вхеел
Овај робусни електрични точак од 125 мм подржава максимално оптерећење од 350 кг са својим вучним мотором од 400 В, идеалан за АГВ и мобилне роботе. Одликује га широк распон улазног напона од 24-560В и подесиви преносни односи 16/24/32 за флексибилну контролу. Са подршком за двоструки енкодер, постиже ПЛ=Д, сигурност категорије 2 (ЕН ИСО 13849-1) за поуздану индустријску аутоматизацију.
Главни опсези параметара:
◆ Пречник точка: 125 мм
◆ Максимално оптерећење: 350 кг
◆ Опсег улазног напона: 24-560В
◆ Снага вучног мотора: 4оов
◆ Трацтион Геар Заједнички однос: 16/24/32
◆ Вучни мотор подржава двоструки енкодер, постиже до ПЛ=Д, функционалну сигурност категорије 2 према ЕН ИСО 13849-1

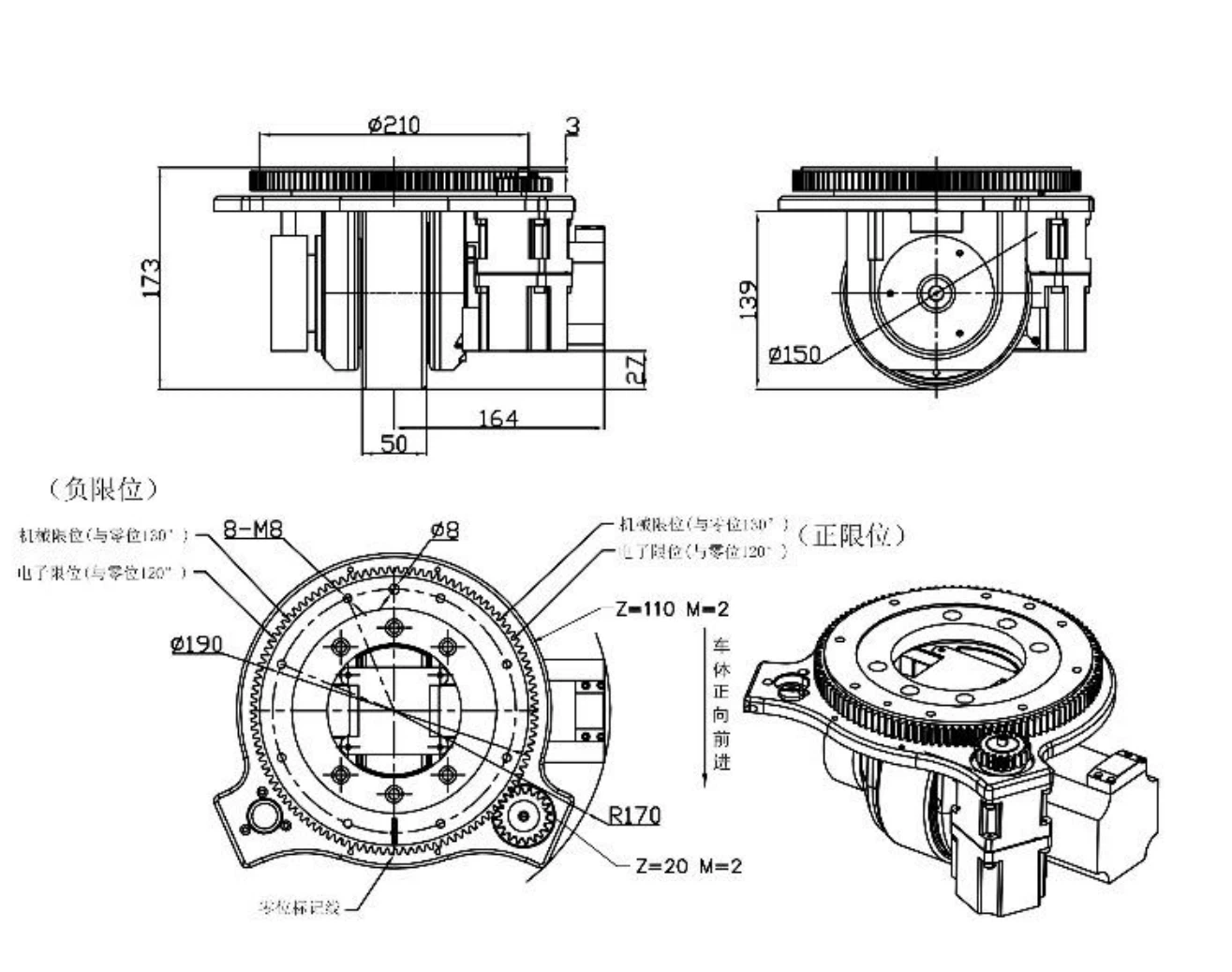
Моторни точак платформе за оптерећење робота од 600 кг са управљачем
Са робусним капацитетом од 600 кг и снажним мотором од 400-1000 В, овај електрични погонски точак за тешке услове рада од 150 мм је дизајниран за интензивне задатке аутоматизације. Његов широк улазни опсег од 24-560В и изборни преносни односи 20/32 обезбеђују поуздане перформансе у захтевним АГВ апликацијама.
◆ Пречник точка: 150 мм
◆ Максимално оптерећење: 600КГ
◆ Опсег улазног напона: 24-560В
◆ Снага вучног мотора: 400~10ооВ
◆ Трацтион Геар Заједнички однос: 20/32
◆ Вучни мотор подржава двоструки енкодер, постиже до ПЛ=Д, функционалну сигурност категорије 2 према ЕН ИСО 13849-1

Максимално оптерећење 1000 кг Волан мобилних робота
Ова серија електричних точкова од 160 мм је високо конфигурабилна, нудећи капацитете од 350КГ до 1000КГ са одговарајућим мотором од 400-1000В. Његова свестраност је побољшана радним опсегом од 24-560В и опцијама преносног односа 20/32, што га чини погодним за скалабилне роботске системе.
◆ Пречник точка: 160 мм
◆ Максимално оптерећење: 350КГ/800КГ/1000КГ
◆ Опсег улазног напона: 24-560В
◆ Снага вучног мотора: 400~10ооВ
◆ Трацтион Геар Заједнички однос: 20/32
◆ Вучни мотор подржава двоструки енкодер, постиже до ПЛ=Д, функционалну сигурност категорије 2 према ЕН ИСО 13849-1

Предности
Добар материјал:Производи користе дивне сировине, поуздан квалитет и строго контролишу квалитет.
Серво мотори: Овај хоризонтални погонски точак је опремљен серво моторима високог{0}}квалитета за захтевније примене.
Услуге након{0}}продаје:Пре испоруке, уградићемо бунар за точкове. Инсталирани видео ће вам бити послат након куповине.

Наша услуга
Cприлагођена решења:Потпуна ОЕМ/ОДМ подршка прилагођена вашим специфичним захтевима.
Fфлексибилно узорковање:Узорци наруџби доступни су за валидацију пре обимне производње.
Rапид одговор:Гарантујемо одговор у року од 24 сата за сва питања.
Eнд-до-прекидање подршке:Од праћења испоруке до{0}}тестирања пријема, остајемо уз вас. Повратне информације су добродошле, а сви проблеми са производом биће решени брзим, делотворним решењима.
Tтехничко партнерство:Поред производа, ми пружамо стручну техничку подршку и помоћ у дизајну система како бисмо вам помогли да постигнете оптималну интеграцију и перформансе.
Примена производа
Случај употребе: АГВ, АМР, виљушкар, шасија, шасија{0}}на даљинско управљање, аутоматско вођено возило, аутоматски мобилни робот
Popularne oznake: средњи-волан, Кина средњи-произвођачи волана, добављачи, фабрика



